Product display產品展示
聯系我們/Contact us
青州市歐科車橋有限公司
地址:青州市云門山街道井亭村
聯系人:冷經理
手機:15624179800
郵編:262500
網址:m.hwgpt.cc
挖掘機驅動橋
挖掘機驅動橋
作者:青州市歐科車橋有限公司
時間:2021-08-20
點擊:


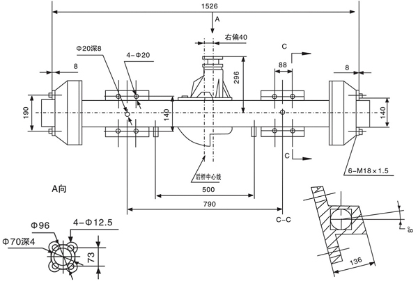
一、主要技術參數:
1.輪轂偏心距:內偏108
2.橋殼長度/殼可型式/截面尺寸:1258/整體鑄造式/ 110×110×8
3.速比:6.167(37/6)
4.半軸(有效長度/總比/直徑) 841/857/ф40
5.制動器直徑×寬度/分裂直徑:ф310×64×28.58油管接頭M10×1
6.三通支座(孔徑/位置)M8深18,左右各一件,分別距橋殼中心250
二、注意:
1.在后橋總成裝配時,裝一油管夾用雙頭螺柱(M10×1×28)同主減總成固在橋殼左上方,油管夾長601,寬20厚1;
2.在橋殼上噴涂標記






