Product display產品展示
聯系我們/Contact us
青州市歐科車橋有限公司
地址:青州市云門山街道井亭村
聯系人:冷經理
手機:15624179800
郵編:262500
網址:m.hwgpt.cc
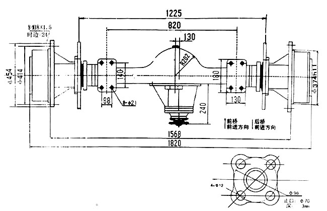
ZL25(1061型)驅動橋
ZL25(1061型)驅動橋
作者:青州市歐科車橋有限公司
時間:2021-08-20
點擊:


| 橋型 | 橋荷 | 輸入扭矩 | 主減速比 | 邊減速比 | 總速比 | 制動鉗制動力炬 |
| ZL25 | 12500kg | 980N.m | A:5.286 | 3.9 | 20.62 | 4300N.m |
| B:6.167 | 3.9 | 24.05 |
結構特點:
驅動橋采用兩級減速機構
主減為螺旋錐齒輪,承載能力大,效率高
輪邊為行星減速機構
橋殼材料為鑄鋼,剛性好
制動鉗為鉗盤制動,制動力矩大
適用車型:ZL25輪式裝載機






